我公司成功开发高精度反冲洗过滤器
强制反冲洗用于SS含量高,杂质成分复杂,漂浮物比重轻场合
适用于造纸白水,电厂取水(含有树枝,塑料袋,泥沙等复杂应用场合),卤水过滤,海水过滤器
湖水,藻类河水等过滤器
工业成套设备 用于冷却、去垢、轴承润滑、喷雾、热处理等的河水、湖水、海水、循环水等的过滤
水处理场: 消泡水、杂用水、冷却水等使用的处理水的过滤
造纸、纸浆厂: 喷淋水,二次白水,黑液,排水等的过滤
电力业: 原子能,火力发电站的废弃物处理水,冷却水等的过滤
食品、药品、化学工厂:洗瓶水、比例淋浴水、冷却水等过滤
特点
可预装金属膜滤芯,烧结网滤芯,楔形网滤芯。可预装陶瓷膜,精度可达1微米,设备无堵塞(牛顿液体)
反冲清洗可瞬间使滤网再生
系列高精度自清洗过滤器(简称UF过滤器),是高精度自清洗过滤领域的突破性创新产品,世界 ,基于独特的密封反冲洗技术,强有力地冲洗滤元表面的杂质,具有高效反冲洗、高精度、大流量、反冲洗时排渣量极少、抗污能力强的卓越优点,最高过滤精度达5μm,适合水及高价值低粘液体的过滤。当液体洁净度较差时,UF过滤器仍然能够正常工作。
普通反冲洗自清洗过滤器,在小于100μm的精度范围过滤,当液体较脏时滤网会很快堵塞,需要频繁进行长时间反冲洗,反冲液排放量大,客户被迫选择更大型的过滤器或定期打开进行人工维护或者较粗的过滤精度。UF过滤器在这样的应用场合,也能游刃有余。
过滤器以突出技术优势及高效的过滤能力,能胜任许多普通反冲洗自清洗过滤器无法正常运行的领域。
典型适用行业及流体
■ 适用行业:化纤、水处理、制冷系统、石油化工等
■ 适用液体类型:石油化工领域柴油、汽油、石脑油、蜡油等;粘胶;水处理原水、工艺用水、冷却循环水、喷淋水、污水、水针水;其他溶剂、酸碱液等
■ 主要过滤作用:去除微小颗粒,净化流体,保护关键设备
■ 过滤类型:反冲洗式,自动连续在线过滤
主要规格参数
■ 主要型号:U40/U100/U170/U240
■ 滤元形式:金属烧结毡/编织型金属滤网
■ 可选精度(μm):5-500
■ 过滤面积(cm2):0.41/1.0/1.7/2.4
■ 壳体材质:304,316L
■ 适用粘度(cp):1-300
■ 适用温度(℃) 200
■ 设计压力(MPa):1.0
■ 清洗启动模式:时间启动,压差启动


未过滤的液体由外向内进入过滤器筒体,杂质被拦截在滤网外部,由于滤网外部空间足够大,在某些河水中有树枝,
树叶塑料袋等可被有效拦截,原水是(1)从入口(2)粗滤网(3)细滤网,和流入、杂质在精细屏幕从内侧向外移动的阶段被过滤,
水从出口(4)流到出口。 清洗模式根据原水浓度/应用程序,可随时选择清洗模式、或差压/计时器并用的间歇清洗模式等。
在经常清洗模式下(5)排水阀总是被打开,在间歇清洗模式下,每次进入清洗信号就会被打开。由于排污阀的开放,
(7)水压马达室(dorenchanber)内的压力急剧下降,在水压马达室内和流通的各(8)喷嘴的前端部周边发生强力的吸引流,
经由中心轴排出外,除了洗净(10)从启动泵向高压的过滤水或清水达特收藏机内部(11)
经由高压洗净水管向吸引喷嘴上部(12)喷嘴供给,清洗屏幕外部喷嘴。通过这个吸引流和喷气流的双重动作,
在高浓度原水中也有效地洗净精细屏幕内外两面。
13)通过齿轮电动机电旋转,同时通过空压活塞进行前后行程运动,通过吸引、喷气、螺旋旋转进行整个屏幕的清洗。
要功能可去除水中泥沙、粘土、铁锈、悬浮物及其它微小颗粒。可用于生产用水、生活用水、循环水、中水回用、冷却水、农业用水、养殖水、景观水、膜的预处理、海水淡化、压载水等多种领域。
卧式智控压差过滤机也叫卧式全自动过滤器、自清洗过滤器、反冲洗过滤器,是一种高效、节能、环保、绿色的全自动水过滤设备,滤元采用高精度、高强度不锈钢或合金组合滤网,清洗方式采用滤网外侧1.7-2.0Mpa高压反冲洗与滤网内侧自动吸污同步工作的模式;对于难处理的含油、含有机物、粘性物质以及硬度较高的水质
过滤原理:
全自动反冲洗过滤器会根据设定的压差或者固定的时间间隔来触接口: DN 65 到 DN 200
发反
冲洗。在标准的型号里, 反冲洗过滤器的滤芯时通过系统外的高压介质来反冲洗的。
反冲洗喷嘴的最小反冲洗压力为3 bar, 以达到良好的反冲洗效果。
作用在滤芯上的反冲洗压力是反冲洗进口的压力减去反冲洗出口的压力。
当设定的压差或时间间隔达到时,过滤器底部的反冲洗阀会打开, 同时顶部的电机会启动带动夹在喷嘴和吸嘴的滤芯旋转。
过滤精度: 2 to 1000 µm 绝对,
外部介质的压力由一个额外的泵提供– 或过滤过的干净的高压介
– 介质进入垂直分布的喷嘴, 这个喷嘴紧紧的贴在滤芯表面,高压介质将会以高速冲刷滤芯,将被滤芯拦下的杂质冲到紧贴滤芯的反冲洗吸嘴内,通过底部的反冲洗排放阀排出系统。
反冲洗阀会在滤芯旋转差不多400°时停止,所以反冲洗过程只有几秒钟的时间。
只有被喷嘴和吸嘴挡住的部分不参与过滤,滤芯的其他部分还是正常过滤的,所以系统不需要停机。
综述 反冲洗排污过滤器适用于供水系统、工艺水系统及工业冷却水系统,特别是24小时连续运行的不停机系统,可以滤去水中的机械杂质,确保系统设备的安全可靠运行。
设备结构与工作原理
自动排污过滤器主要由优质碳钢筒体、特殊结构的不锈钢楔形滤网、水流导向阀及排污装置所组成。当过滤器工作时,水流导向阀处于开启状态,水流由入口进入过滤器,经过滤网过滤到出口。
当过滤器需要排污时,关闭水流导向阀,打开排污阀,水流经滤网前半段过滤,部分水流由出口流入系统,剩余水流由滤网后半段外侧流入内侧,经排污口排出,起到反向自动冲洗滤网的作用,这样整个冲洗过程系统可正常运行,无需停机。
水流导向阀的开启机构分手动和电动两种,当采用电动开启机构时,设有时钟控制电控箱,可按设定时间要求实现自动清洗排污,此时排污口装电动球阀、水流导向阀和排污电动球阀实现联动。
工作参数
1、工作温度:≤1 5 0℃
2、工作压力:≤1.6MPa
3、过滤精度范围广:d=1um~3.0mm
4、滤网材料:304不锈钢
5、工作压差:0.03MPa
6、工作温度:-20~95℃
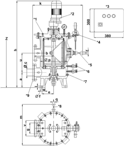
型号 | DN | a | b | Ø c | e | Ø f | g | h | k | l | m | Ø p | q | r | u | v | w | Z L | [kg] |
BAF08W0G03 | 65* | 130 | 160 | 77 | 123 | 14 | 100 | 900 | 450 | 12 | 480 | 270 | G½ | G½ | 190 | 160 | 41 | 920 19 | 130 |
BAF09W0G03 | 80* | 130 | 160 | 90 | 123 | 14 | 100 | 900 | 450 | 12 | 480 | 270 | G½ | G½ | 190 | 160 | 41 | 920 19 | 130 |
BAF090G20 | 80* | 195 | 250 | 90 | 150 | 18 | 140 | 1250 | 650 | 20 | 560 | 346 | G¾ | G¾ | 250 | 200 | 65 | 1260 45 | 225 |
BAF100G20 | 100 | 195 | 250 | 100 | 150 | 18 | 140 | 1250 | 650 | 20 | 560 | 346 | G¾ | G¾ | 250 | 200 | 65 | 1260 45 | 225 |
BAF110G11 | 125 | 236 | 280 | 125 | 175 | 23 | 200 | 1300 | 760 | 20 | 650 | 400 | G1 | G1 | 270 | 260 | 62 | 1600 80 | 270 |
BAF120G21 | 150* | 276 350 | 169 | 225 | 23 | 200 1421 820 | 20 | 740 516 | G1 | G1 | 350 280 | 65 | 1810 154 | 525 |
BAF143G21 | 200 | 276 350 | 200 | 225 | 23 | 200 1421 820 | 20 | 740 516 | G1 | G1 | 350 280 | 65 | 1810 154 | 525 |
